信息详情
轴承厂特供优质平面推力轴承AXK3047 AS304
¥ 1/套
产品详情
外径 | 47mm | 内径 | 30mm |
类型 | AXK3047/AS3047 | 品牌 | 其他 |
旧类型 | AXK3047/AS3047 | 分量 | 0.1kg |
厚度 | 3mm | 类型 | 推力滚子轴承 |
轴承原料 | 高温轴承钢 | 翻滚体列数 | 单列 |
用处 | 通用 | 滚道类型 | 直线滚道 |
运用特性 | 高温 | 坚持架及其材料 | F1碳钢 |
样品或现货 | 现货 |
其他规格 | 默许规格 |
A)产品描述:
推力滚针轴承AXK AXW AX TC NTB系列
推力圆柱滚子轴承811,812.893,874,894系列
AXK3047/AS3047/AXK3552/AS3552的推力滚针轴承或推力圆柱滚子轴承是在一套滚道圈(WS型及GS型)之间,装备带坚持架的滚子(AXK型或K型),是在一套滚道垫圈间装备带坚持架的滚针,坚持架可靠地引导并夹持很多翻滚体,同一组件中的翻滚体仅有及其细小的差异,仅能支承一个方向的轴向负荷轴承。运用带坚持架滚子套时,因直接用轴或轴承箱作滚道面,故可使规划紧凑。此刻,滚道面须有HRC58-64的硬度和0.4a以上的光洁度。关于滚针轴承,用薄壁钢圈(AS型)作套圈,因之,即便在轴或轴承箱不能进行热处理和精磨的情况下,也能进行紧凑的规划。推力滚针轴承和推力圆柱滚子轴承的标准坚持架为冲压钢板坚持架。关于带坚持架滚子套,必须选用可以以内径或外径进行引导的结构。
AXK3047/AS3047/AXK3552/AS3552平面轴承的首要用处:电梯配件塑料机械,工作器械,医疗器械.步进电机,减速变速装置,压力转子,健身和运动器材.
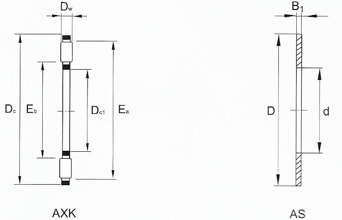
B)工程结构图:
C)原料:
推力垫圈:AS LS GS WS ZS TRA TRB TRC TRD
AS厚度为1MM,淬硬抛光处理,座圈GS外表面和轴圈WS内表面是通过磨削制成,LS为车制表里表面。
AXK3047/AS3047/AXK3552/AS3552的推力滚针和坚持架组件是推力滚针轴承的首要元件。滚针由辐射状摆放的袋囊坚持和引导。坚持架剖面具有特定形状,是用淬硬钢带成型。小尺度坚持架选用工业塑料制造。高精度滚针直径分组公役为0.002mm,确保载荷散布均匀。推力滚针和坚持架组件选用轴引导。这样,即便在高速下引导表面也可得到相对较低的圆周速度。若相邻件表面规划为滚道面以省掉垫圈则可取得特别节约空间的支承。如这种计划不能施行,在有满意支承的条件下,选用薄壁钢制AS系列垫圈也能使规划紧凑。AXK3047/AS3047/AXK3552/AS3552的推力滚针和坚持架组件是推力滚针轴承.
推力圆柱滚子轴承811、812、893、874、894此轴承是由一个推力圆柱滚子和坚持架组件、一个轴承座定位圈GS和一个轴定位WS组成。893、874和894系列推力圆柱滚子轴承可用于更高的载荷。推力圆柱滚子轴承的坚持架可由优质钢板冲压而成,也可由工业塑料、轻金属和黄铜等制造,用户依据运用环境提出要求。
常州宗昇汇航轴承有限公司坐落在山明水秀的江南龙城—江苏常州,我厂有近二十年滚针轴承出产经历,公司具有职工总数120人,厂房出产面积9600㎡,进口自日本和德国的各类出产设备达50余台,日本WAIDA高剛性半导体晶元平面磨床;德国schuler 100T冲床,并有美国VIB05进口轴承检测仪器;检测标准超出国标,部分类型可代替进口水平。首要出产各类滚针轴承,包含单向滚针轴承(HF,HFL,FC,FCB,RC,RCB)、冲压外圈滚针轴承(HK,BK,SCE,BCE)、实体套圈滚针轴承(NA,RNA,NKI,NK,NAV,RNAV)、滚轮轴承(STO,NAST,NUTR,NUKR,NATR)、平面轴承(AXK+2AS)、向心滚针与坚持架组件滚针轴承(K,KK,KZK,KT,KBK),英制滚针轴承等等;一起可依据客户的需求定做各种非标滚针轴承。
本厂滚针轴承产品可广泛应用于轻工、工程机械、冶金矿山、纺织、印刷、包装机械、轿车等范畴。各式滚针轴承年出产能力到达1000万套,产品热销欧美、东南亚、中东等国家和地区,深受用户喜爱。我厂重视产品品质,确保产品质量,交货期短,可以满意不同客户的需求,真挚等待有意向的贵方与咱们进行友爱洽谈和长时间协作!
热门推荐
-
喷油嘴阀组件F00VC01340
小高GS
-
柴油发动机喷油嘴DSLA143P5519
小高GS
-
2025年泛阿拉伯非洲地区(埃及)国际汽车摩托车及配件展 ~ 埃及汽配展2025
小高GS
-
CAT泵控制阀32F1-00062适配于卡特喷油器发动机控制阀
小高GS
-
柴油机油泵 C-9 喷油器控制阀C7柴油控制阀
小高GS
-
喷油器阀组件F00RJ01005油嘴阀组件F00RJ01005
小高GS
-
阀板19号 喷嘴阀 阀板32号
小高GS
-
柴油机国三油嘴0 434 250 063生产喷嘴厂家
小高GS
-
发动机的三大精密偶件5621251油嘴油泵生产
小高GS
-
适配于博世共轨喷油器0 445 120 066
小高GS
-
柴油发动机喷油嘴L369PBB
小高GS
-
柴油机SCV控制阀294200-0270
小高GS
-
2024年乌兹别克斯坦汽配展(法兰克福)
小高GS
-
共轨阀F00V C01 016喷油器阀组件F00VC01016
小高GS
-
高压共轨喷油嘴093400-1025
小高GS
-
AD型柱塞A809单缸发动机油泵柱塞
小高GS
-
0445110231喷油器阀组件油嘴阀组件F00V C01 023
小高GS
-
发动机4缸泵头南京-210汽车柴油机泵头
小高GS
-
发动机6缸泵头096400-1500
小高GS
-
直供喷油器BEBE4G15001发动机喷油器制造商
小高GS
已经到底了